Bauelemente der Elektronik

Dieser Abschnitt beschreibt Eigenschaften und Funktionen der elektronischen Bauelemente, die beim TonUINO für optionale Ausstattung, Sonderlösungen und auch Abstellmaßnahmen bei Fehlern eingesetzt werden.
Die Beschreibungen sind sehr oberflächlich und in Stichworten gehalten, um zumindest ein grobes Verständnis für die Bauelemente zu vermitteln. Die Beschreibungen enthalten keine umfassende Information und vermitteln Kenntnisse, wie man es von einem Lehrbuch erwartet.


Bauformen

Es gibt die Bauelemente in unterschiedlichen Größen, die häufig durch die zu verarbeitende Leistung, aber auch durch den Hersteller bestimmt werden, Dennoch müssen alle Bauelemente bestimmten Normen und Abmessungen entsprechen, damit sich Leiterplatten (und damit elektronische Geräte) sinnvoll konstruieren und auch wirtschaftlich fertigen lassen.

Diese Normen hier zu erklären würde den Rahmen vollkommen sprengen, aber es gibt zwei prinzipielle Techniken, die bekannt sein sollten: Auf Leiterplatten findet man häufig eine Mischung beider Techniken.


Widerstand

Ein Widerstand (englisch Resistor) ist ein zweipoliges passives elektrisches Bauelement. Es realisiert einen ohmschen Widerstand in elektrischen und elektronischen Schaltungen. Widerstände werden beispielsweise verwendet, um:

Schaltplan-Symbol

Auf Schaltplänen ist ein Widerstand mit nebenstehendem Symbol und Angabe des Wertes dargestellt.

Die Buchstaben bei der Wertangabe haben folgende Bedeutung:

Steht der Buchstabe innerhalb der Wertangabe (z. B 3K3) repräsentiert er das Komma der Wertangabe.
Im angegebenen Beispiel hätte der Widerstand also einen Wert von 3,3 KiloOhm oder 3,3 kΩ

Bauform / Kennzeichnung

Die für Heimanwendung meistens verwendeten Widerstände haben 2 Anschlußdrähte und ihr Wert ist auf dem Körper mit 4 oder 5 Farbringen codiert:



Diode

Die Diode lässt elektrischen Strom nur in eine Richtung fließen. Diese Richtung wird als Durchlassrichtung, die andere als Sperrrichtung bezeichnet. Die Diode „sperrt“ also den Durchgang von elektrischen Strom in der Sperrrichtung. Dadurch wird die Diode überall dort eingesetzt, wo nur eine Stromrichtung wünschenswert ist. In einfachen Anwendungen dient die Diode dann als sogenannter Gleichrichter, um aus einer Wechselspannung eine Gleichspannung zu erzeugen.
Das Dreieck des Schaltungssymbols zeigt in die Durchlassrichtung.


LED

Obwohl Leuchtdioden häufig wie "Lämpchen" eingesetzt werden sind sie dennoch Dioden, die keinen Strom in Sperrichtung durchlassen. Damit eine Leuchtdiode also leuchten kann, muss sie in Durchlassrichtung geschaltet sein.
Leuchtdioden werden mit einem bestimmten Strom und nicht, wie Lämpchen, mit einer Spannung betrieben. Deshalb dürfen Leuchtdioden nie ohne Vorwiderstand zur Strombegrenzung eingesetzt werden.

Leuchtdioden haben je nach Farbe eine unterschiedliche Durchlassspannung, do dass die Berechnung des Vorwiderstandes ev. der Leuchtfarbe angepasst werden muss.

Die meisten Leuchtdioden erreichen gute / volle Leuchtkraft bei enem Strom von 15 mA.
Damit berechnet sich der passende Vorwiderstand nach folgender Formel:

R = (VCC - ULED) / 15 mA


 
Für eine rote / grüne LED muss demnach bei einer Betriebsspannung VCC = +5V ein Widerstand von R = 200 Ω eingesetzt werden.

Die Standardbauform von LEDs ist rund mit 3 mm oder 5 mm Durchmesser mit meistens unterschidlich langen Anschlussdrähten. Dabei ist der längere der Anschlussdrähte die Anode, also der Plus-Pol der LED, der kürzere Anschlussdraht die Kathode, also der Minus-Pol. Als zusätzliche Kennzeichnung ist das runde Gehäuse der LED auf Seite der Kathode abgeflacht


Z-Diode

Die Z-Diode (auch Zener-Diode) ist eine Diode mit einer besonderen Eigenschaft:
Wie jede andere Diode auch, hat eine Z-Diode eine Durchlass- und eine Sperrichtung.
In Sperrichtung betrieben kommt es zu einem definierten Spannungsdurchbruch. Diese "Durchbruchspannung" ist außerordentlich stabil, so dass Z-Dioden vorzugsweise zur Spannungsstabilisierung in Stromversorgungen und anderen elektronischen Schaltungen verwendet werden.


Kondensator

Kondensatoren sind Bauelemente, die für Gleichspannung undurchlässig sind.
Bei Wechselspannung verhalten sie sich sehr ähnlich wie Widerstände, die ihren Wert mit der Frequenz ändern.

Zusätzlich konnen Kondensatoren Energie speichern und sehr kurzfristig wieder abgeben.
Diese Eigenschaft nutzt man aus, um in Stromversorgungen kurze Spitzenbelastungen zu ermöglichen, ohne die Stromversorgung insgsamt für die hohe (Spitzen-)Last auszulegen.
Bei derartiger Anwendung spricht man dann auch von Stützkondensator



Transistor

Ein Transistor ist ein Halbleiterbauelement, das zur Verstärkung oder Umschaltung von elektrischen Signalen und Strom verwendet wird. Er besteht aus Halbleitermaterial und hat in der Regel mindestens drei Anschlüsse zum Anschluss an eine elektronische Schaltung. Eine Spannung oder ein Strom, der an die Transistoranschlüsse angelegt wird, steuert den Strom durch andere Anschlüssen. Da die gesteuerte Ausgangsleistung höher sein kann als die steuernde Eingangsleistung, kann ein Transistor ein Signal verstärken. Standardtransistoren werden in Einzelpackungen angeboten, aber viele sind auch in integrierten Schaltungen enthalten. Transistoren sind eine der wichtigsten aktiven Komponenten in der modernen Elektronik.


MOSFET

Der MOSFET ist ebenfalls ein Transistor, der jedoch ein anderes Verstärkungs- und Schaltverhalten hat.
Das macht ihn besonders geeignet, um als Schalter (oder auch elektronisches Relais) eingesetzt zu werden.

Basierend auf MOSFETs gibt es eigenständige Bauelemente, die dann als Solid State Relais (Halbleiter-Relais ohne bewegliche Teile) bezeichnet werden.



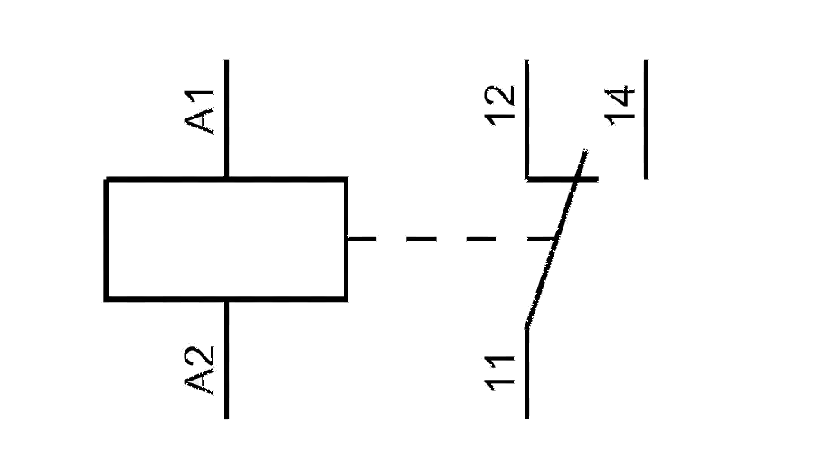
Relais

Ein Relais ist eigentlich ein Schalter, der über eine Magnetspule bedient wird.
Die Magnetspule kann durch elektronische Schaltungen mit geringer Leistung gesteuert werden, der Schaltkontakt jedoch kann wesentlich höhere Lasten schalten.

Hinzu kommt, dass der Stromkreis zur Steuerung vollkommen getrennt von den Schaltkontakten ist, so dass es möglich ist, auch z.B. Netzspannung zu schalten.